摘要:本发明公开了一种转动冲洗式亚麻纱线煮漂器及其煮漂方法,包括定位底座、煮漂箱体、置换箱体、定位板、套接柱、喷液筒、控制机构;本发明在亚麻纱线煮漂完成之后,通过将原有煮漂溶液进行过滤置换,将过滤置换好的煮漂溶液输送至喷液筒内部,通过喷液筒的两侧进行喷出,同时设计了可以驱动两个套接柱进行转动的控制机构,如此当喷液筒的两侧进行喷液清洗时,套接柱带动亚麻纱线进行转动,使得亚麻纱线的四周可以得到均匀的冲洗,如此实现了煮漂和清洗一体化进行。
权利说明书
1.一种转动冲洗式亚麻纱线煮漂器,其特征在于,包括定位底座、煮漂箱体、置换箱体、定位板、套接柱、喷液筒、控制机构;所述定位底座的上端两侧分别安装煮漂箱体和置换箱体;所述煮漂箱体的内部下方安装一个定位板,定位板将煮漂箱体分隔成上部的煮漂腔和下部的驱动腔;所述定位板的上端两侧分别转动安装一个套接柱;所述定位板的中间安装一个喷液筒;所述喷液筒向两侧喷液;所述置换箱体的内部设有过滤网板,过滤网板将置换箱体内部分隔成上部的过滤腔和储液腔,过滤腔通过抽吸管连接于煮漂腔的内部下方一侧,储液腔通过排液管连接于喷液筒的下端内部;所述控制机构安装于驱动腔内;所述控制机构驱动两个套接柱同步转动;所述套接柱的下部设有下支撑环体;所述套接柱的上端设有旋接螺纹帽;所述下支撑环体和旋接螺纹帽之间构成定位区间;所述下支撑环体的下侧与煮漂腔底部之间留有抽吸空间。
2.根据权利要求1所述的转动冲洗式亚麻纱线煮漂器,其特征在于,所述控制机构包括转动链轮、转动电机、驱动链轮、传动链条;所述套接柱的下端延伸至驱动腔内,套接柱的下端分别连接转动链轮;所述转动电机安装于驱动腔的一侧下方,转动电机上端连接驱动链轮,驱动链轮与两个转动链轮之间通过传动链条咬合连接。
3.根据权利要求2所述的转动冲洗式亚麻纱线煮漂器,其特征在于,所述定位板上开设转动卡接通道;所述套接柱的下部四周设有转动卡接环;所述套接柱和转动卡接环转动卡接于转动卡接通道上;所述转动卡接通道内设有密封圈;所述套接柱四周外侧与密封圈密封旋转连接。
4.根据权利要求2所述的转动冲洗式亚麻纱线煮漂器,其特征在于,所述喷液筒的下端从定位板向下延伸至驱动腔内,喷液筒的下端设有连通管,连通管下端穿过传动链条与排液管的端部连接。
5.根据权利要求1所述的转动冲洗式亚麻纱线煮漂器,其特征在于,所述排液管上设有排液泵和电磁阀;所述抽吸管上设有抽吸泵。
6.根据权利要求1所述的转动冲洗式亚麻纱线煮漂器,其特征在于,所述喷液筒的两侧自上而下均匀设有多个喷液头。
7.根据权利要求1所述的转动冲洗式亚麻纱线煮漂器,其特征在于,所述煮漂箱体的上端设有启闭盖板。
8.一种根据权利要求1所述的转动冲洗式亚麻纱线煮漂器的煮漂方法,其特征在于,步骤如下:
S1、将亚麻纱线卷筒套接于套接柱上,通过旋接螺纹帽转动夹持锁定,然后向煮漂腔内注入煮漂溶液进行煮漂;
S2、煮漂完毕之后,通过抽吸管将煮漂腔内的煮漂溶液进行抽吸,使得煮漂溶液进入置换箱体的过滤腔内进行过滤,过滤之后煮漂溶液储存于储液腔内;
S3、当煮漂腔的溶液液位到达下支撑环体下侧时,开始通过排液管将储液腔内的溶液输送入喷液筒内部,同时通过控制机构驱动两个套接柱和其上的亚麻纱线同步转动,如此煮漂溶液通过喷液筒的两侧进行喷出,并对两侧套接柱上的亚麻纱线进行冲刷,使得亚麻纱线上的杂质被冲刷下来,并通过抽吸管进行抽吸过滤;
S4、冲刷完毕之后,抽吸管停止抽吸,通过排液管将储液腔内的溶液全部输入煮漂腔内,最后取出亚麻纱线。
9.根据权利要求8所述的转动冲洗式亚麻纱线煮漂器的煮漂方法,其特征在于,所述步骤S2中抽吸管单位时间的抽吸量为A;所述步骤S3中排液管单位时间的排出量为B;所述A和B相等。
技术领域
本发明属于亚麻加工技术领域,尤其涉及一种转动冲洗式亚麻纱线煮漂器及其煮漂方法。
背景技术
目前,亚麻织物因吸湿快、透气好、散热快、抑菌、无静电等特点而被广泛应用,由于亚麻粗纱中含有较多胶质成分,致使纤维分离程度较差,可纺性差,为了提高其可纺性,在生产中往往对粗纱进行化学煮练,去除部分果胶、半纤维素、木质素等胶质,使粗纱中的纤维束分裂成较细的纤维,从而提高纤维的分裂度,以便加工成高支纱及高档产品;现有的亚麻纱线在进行煮漂时,往往煮漂出的麻皮、果胶、附着物会悬浮于煮漂溶液内,在煮漂完成之后,当直接取出亚麻纱时,悬浮的杂质会附着亚麻纱线的表面,或者将煮漂溶液先抽吸出再取出纱线时往往杂质也会附着于亚麻纱表面,如此在亚麻纱线取出之后还需要进行后续处理,加工十分的不便利,为此需要对现有的结构工艺进行升级改造,使得取出的亚麻纱线干净整洁。
发明内容
针对上述现有技术的不足之处,本发明解决的问题为:提供一种可有效去除亚麻纱线上附着的杂质的转动冲洗式亚麻纱线煮漂器及其煮漂方法。
为解决上述问题,本发明采取的技术方案如下:
一种转动冲洗式亚麻纱线煮漂器,包括定位底座、煮漂箱体、置换箱体、定位板、套接柱、喷液筒、控制机构;所述定位底座的上端两侧分别安装煮漂箱体和置换箱体;所述煮漂箱体的内部下方安装一个定位板,定位板将煮漂箱体分隔成上部的煮漂腔和下部的驱动腔;所述定位板的上端两侧分别转动安装一个套接柱;所述定位板的中间安装一个喷液筒;所述喷液筒向两侧喷液;所述置换箱体的内部设有过滤网板,过滤网板将置换箱体内部分隔成上部的过滤腔和储液腔,过滤腔通过抽吸管连接于煮漂腔的内部下方一侧,储液腔通过排液管连接于喷液筒的下端内部;所述控制机构安装于驱动腔内;所述控制机构驱动两个套接柱同步转动;所述套接柱的下部设有下支撑环体;所述套接柱的上端设有旋接螺纹帽;所述下支撑环体和旋接螺纹帽之间构成定位区间;所述下支撑环体的下侧与煮漂腔底部之间留有抽吸空间。
进一步,所述控制机构包括转动链轮、转动电机、驱动链轮、传动链条;所述套接柱的下端延伸至驱动腔内,套接柱的下端分别连接转动链轮;所述转动电机安装于驱动腔的一侧下方,转动电机上端连接驱动链轮,驱动链轮与两个转动链轮之间通过传动链条咬合连接。
进一步,所述定位板上开设转动卡接通道;所述套接柱的下部四周设有转动卡接环;所述套接柱和转动卡接环转动卡接于转动卡接通道上;所述转动卡接通道内设有密封圈;所述套接柱四周外侧与密封圈密封旋转连接。
进一步,所述喷液筒的下端从定位板向下延伸至驱动腔内,喷液筒的下端设有连通管,连通管下端穿过传动链条与排液管的端部连接。
进一步,所述排液管上设有排液泵和电磁阀;所述抽吸管上设有抽吸泵。
进一步,所述喷液筒的两侧自上而下均匀设有多个喷液头。
进一步,所述煮漂箱体的上端设有启闭盖板。
一种转动冲洗式亚麻纱线煮漂器的煮漂方法,步骤如下:
S1、将亚麻纱线卷筒套接于套接柱上,通过旋接螺纹帽转动夹持锁定,然后向煮漂腔内注入煮漂溶液进行煮漂;
S2、煮漂完毕之后,通过抽吸管将煮漂腔内的煮漂溶液进行抽吸,使得煮漂溶液进入置换箱体的过滤腔内进行过滤,过滤之后煮漂溶液储存于储液腔内;
S3、当煮漂腔的溶液液位到达下支撑环体下侧时,开始通过排液管将储液腔内的溶液输送入喷液筒内部,同时通过控制机构驱动两个套接柱和其上的亚麻纱线同步转动,如此煮漂溶液通过喷液筒的两侧进行喷出,并对两侧套接柱上的亚麻纱线进行冲刷,使得亚麻纱线上的杂质被冲刷下来,并通过抽吸管进行抽吸过滤;
S4、冲刷完毕之后,抽吸管停止抽吸,通过排液管将储液腔内的溶液全部输入煮漂腔内,最后取出亚麻纱线。
进一步,所述步骤S2中抽吸管单位时间的抽吸量为A;所述步骤S3中排液管单位时间的排出量为B;所述A和B相等。
本发明的有益效果如下:
1.本发明在亚麻纱线煮漂完成之后,通过将原有煮漂溶液进行过滤置换,将过滤置换好的煮漂溶液输送至喷液筒内部,通过喷液筒的两侧进行喷出,同时设计了可以驱动两个套接柱进行转动的控制机构,如此当喷液筒的两侧进行喷液清洗时,套接柱带动亚麻纱线进行转动,使得亚麻纱线的四周可以得到均匀的冲洗,如此实现了煮漂和清洗一体化进行。
2.本发明在套接柱的下部设计了下支撑环体,在套接柱的上端设计了旋接螺纹帽,下支撑环体和旋接螺纹帽之间构成定位区间,如此将亚麻纱线卷筒套接于定位区间,如此形成夹持的锁定结构,使得亚麻纱线筒和套接柱形成同步转动结构,便于均匀清洗。
3.为了保证清洗时,溶液液位在下支撑环体的下侧,使得清洗溶液带着杂质向下之后与亚麻纱线彻底分离,本发明在清洗时,抽吸管单位时间的抽吸量和排液管单位时间的排出量相等,如此使得溶液的液位始终在下支撑环体的下侧,如此使得清洗溶液不会在煮漂腔内积留,避免冲洗下来的杂质随着溶液再次附着于亚麻纱线的表面,实现清洗的有效性和充分性。
附图说明
图1为本发明的结构示意图。

图1
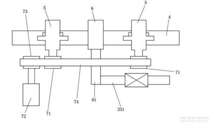
图2为本发明定位板、套接柱、喷液筒的结构示意图。

图2
图3为本发明控制机构的结构示意图。
图3
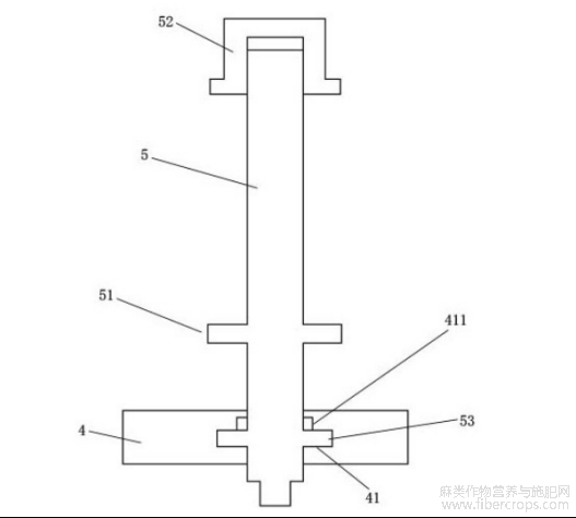
图4为本发明套接柱的结构示意图。
图4
具体实施方式
下面结合附图对本发明内容作进一步详细说明。
如图1至4所示,一种转动冲洗式亚麻纱线煮漂器,包括定位底座1、煮漂箱体2、置
换箱体3、定位板4、套接柱5、喷液筒6、控制机构7;所述定位底座1的上端两侧分别安装煮漂箱体2和置换箱体3;所述煮漂箱体2的内部下方安装一个定位板4,定位板4将煮漂箱体2分隔成上部的煮漂腔21和下部的驱动腔22;所述定位板4的上端两侧分别转动安装一个套接柱5;所述定位板4的中间安装一个喷液筒6;所述喷液筒6向两侧喷液;所述置换箱体3的内部设有过滤网板31,过滤网板31将置换箱体3内部分隔成上部的过滤腔32和储液腔33,过滤腔32通过抽吸管321连接于煮漂腔21的内部下方一侧,储液腔33通过排液管331连接于喷液筒6的下端内部;所述控制机构7安装于驱动腔22内;所述控制机构7驱动两个套接柱5同步转动;所述套接柱5的下部设有下支撑环体51;所述套接柱5的上端设有旋接螺纹帽52;所述下支撑环体51和旋接螺纹帽52之间构成定位区间;所述下支撑环体51的下侧与煮漂腔21底部之间留有抽吸空间23。
如图1至4所示,为了便于对套接柱5进行转动控制,进一步,所述控制机构7包括转动链轮71、转动电机72、驱动链轮73、传动链条74;所述套接柱5的下端延伸至驱动腔22内,套接柱5的下端分别连接转动链轮71;所述转动电机72安装于驱动腔22的一侧下方,转动电机72上端连接驱动链轮73,驱动链轮73与两个转动链轮71之间通过传动链条74咬合连接。
如图1至4所示,为了套接柱5稳定转动连接于定位板4以及保证密封性,进一步,所述定位板4上开设转动卡接通道41;所述套接柱5的下部四周设有转动卡接环53;所述套接柱5和转动卡接环53转动卡接于转动卡接通道41上;所述转动卡接通道41内设有密封圈
411;所述套接柱5四周外侧与密封圈411密封旋转连接。
如图1至4所示,为了便于向喷液筒6内输入溶液,进一步,所述喷液筒6的下端从定位板4向下延伸至驱动腔22内,喷液筒6的下端设有连通管61,连通管61下端穿过传动链条74与排液管331的端部连接。
如图1至4所示,为了排液控制,进一步,所述排液管331上设有排液泵和电磁阀;所述抽吸管321上设有抽吸泵。为了便于喷液清洗,进一步,所述喷液筒6的两侧自上而下均匀设有多个喷液头62。进一步,所述煮漂箱体2的上端设有启闭盖板24。
如图1至4所示,一种转动冲洗式亚麻纱线煮漂器的煮漂方法,步骤如下:
S1、将亚麻纱线卷筒套接于套接柱5上,通过旋接螺纹帽52转动夹持锁定,然后向煮漂腔21内注入煮漂溶液进行煮漂。
S2、煮漂完毕之后,通过抽吸管321将煮漂腔21内的煮漂溶液进行抽吸,使得煮漂溶液进入置换箱体3的过滤腔32内进行过滤,过滤之后煮漂溶液储存于储液腔33内。
S3、当煮漂腔21的溶液液位到达下支撑环体51下侧时,开始通过排液管331将储液腔33内的溶液输送入喷液筒6内部,同时通过控制机构7驱动两个套接柱5和其上的亚麻纱线同步转动,如此煮漂溶液通过喷液筒6的两侧进行喷出,并对两侧套接柱5上的亚麻纱线进行冲刷,使得亚麻纱线上的杂质被冲刷下来,并通过抽吸管321进行抽吸过滤。
S4、冲刷完毕之后,抽吸管321停止抽吸,通过排液管331将储液腔33内的溶液全部输入煮漂腔21内,最后取出亚麻纱线。
为了保证清洗时,溶液液位在下支撑环体51的下侧,使得清洗溶液带着杂质向下之后与亚麻纱线彻底分离,进一步,所述步骤S2中抽吸管321单位时间的抽吸量为A;所述步骤S3中排液管331单位时间的排出量为B;所述A和B相等。
本发明在亚麻纱线煮漂完成之后,通过将原有煮漂溶液进行过滤置换,将过滤置换好的煮漂溶液输送至喷液筒6内部,通过喷液筒6的两侧进行喷出,同时设计了可以驱动两个套接柱5进行转动的控制机构7,如此当喷液筒6的两侧进行喷液清洗时,套接柱5带动亚麻纱线进行转动,使得亚麻纱线的四周可以得到均匀的冲洗,如此实现了煮漂和清洗一体化进行。
本发明在套接柱5的下部设计了下支撑环体51,在套接柱5的上端设计了旋接螺纹帽52,下支撑环体51和旋接螺纹帽52之间构成定位区间,如此将亚麻纱线卷筒套接于定位区间,如此形成夹持的锁定结构,使得亚麻纱线筒和套接柱5形成同步转动结构,便于均匀清洗。
为了保证清洗时,溶液液位在下支撑环体51的下侧,使得清洗溶液带着杂质向下之后与亚麻纱线彻底分离,本发明在清洗时,抽吸管321单位时间的抽吸量和排液管331单位时间的排出量相等,如此使得溶液的液位始终在下支撑环体51的下侧,如此使得清洗溶液不会在煮漂腔21内积留,避免冲洗下来的杂质随着溶液再次附着于亚麻纱线的表面,实现清洗的有效性和充分性。
以上所述仅为本发明的较佳实施例而已,并不用以限制本发明,凡在本发明的精神和原则之内,所作的任何修改、等同替换、改进等,均应包含在本发明的保护范围之内。
文章摘自国家发明专利,一种转动冲洗式亚麻纱线煮漂器及其煮漂方法,发明人:王雅琴,薛茂深,申请号:202511310218.1,申请日:2025.09.15。


