摘 要:本发明公开了一种红麻收割机的切割收集机构,其在切割机构的基础上设置两个传感器,并配合可改变运行和位置状态的输送带,在检测到最后一段的红麻茎秆不符合标准长度后,根据检测结果反馈给输送带,令其进行相对的调整,进而将不同长度的红麻茎秆分别回收,有利于后续的分别处理再利用,并且不影响标准长度的红麻茎秆整齐有序的收集并正常供向后序的捆扎机构完成标准化的捆扎,保证捆扎后的质量,提高红麻茎杆的收集精细化程度。
权利要求书
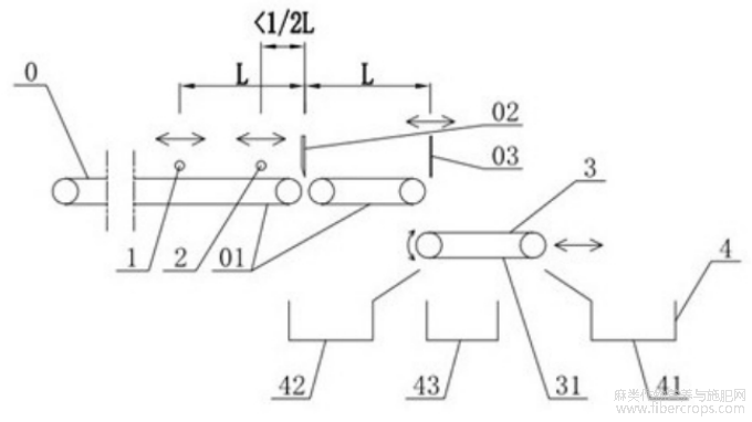
1.一种红麻收割机的切割收集机构,包括切割机构(0),所述切割机构(0)包括两段传送带(01)、切割刀(02)和阻挡部(03),两段传送带(01)依次设置并留有供切割刀(02)通过的间隙,所述切割刀(02)可活动的设置于两段传送带(01)之间的间隙处,所述阻挡部(03)可活动的设置于两段传送带(01)的输出端,当阻挡部(03)活动至传送带(01)的输出端时对红麻茎秆进行阻挡,并由切割刀(02)活动切割红麻茎秆,完成切割后阻挡部(03)和切割刀(02)远离传送带(01),并由传送带(01)启动输出红麻茎秆;
其特征在于:前一段传送带(01)的侧边设置有用于检测红麻茎秆的第一传感器(1)和第二传感器(2),所述第一传感器(1)和切割刀(02)的间距等于切割刀(02)和阻挡部(03)的间距,进而由第一传感器(1)感应停留的红麻茎秆是否符合标准的切割长度;所述第二传感器(2)位于第一传感器(1)和切割刀(02)之间,进而由第二传感器(2)感应停留的红麻茎秆是否符合废料标准;后一段传送带(01)的输出端下方设置有输送机构(3),所述输送机构(3)的下方设置收集机构(4),所述输送机构(3)包括可平移活动的输送带(31),所述收集机构(4)包括第一收集腔(41)、第二收集腔(42)和第三收集腔(43),所述输送带(31)的两端下方分别设置第一收集腔(41)和第二收集腔(42),所述输送带(31)的下方设置第三收集腔(43);当第一传感器(1)和第二传感器(2)检测到红麻茎秆时,确定后一段红麻茎秆长度足够,输送带(31)正转进行红麻茎秆向第一收集腔(41)的输送;当第一传感器(1)检测不到红麻茎秆,而第二传感器(2)检测到红麻茎秆时,确定后一段红麻茎秆长度不符合标准,反馈令输送带(31)反转进行红麻茎秆向第二收集腔(42)的输送;当第一传感器(1)和第二传感器(2)均检测不到红麻茎秆时,确定后一段红麻茎秆为废料,反馈令输送带(31)平移开令下方的第三收集腔(43)对应后一段传送带(01)的输出端令红麻茎秆落入第三收集腔(43)。
2.根据权利要求1所述的一种红麻收割机的切割收集机构,其特征在于:由阻挡部(03)和切割刀(02)限位并切割的红麻茎秆长度为标准长度L;第一传感器(1)和切割刀(02)的间距为小于等于L而大于1/2L;第二传感器(2)和切割刀(02)的间距为小于1/2L。
3.根据权利要求2所述的一种红麻收割机的切割收集机构,其特征在于:所述阻挡部(03)通过独立的调试机构可平移的设置,进而通过调试机构进行阻挡部(03)的水平位置调试,调整阻挡部(03)和切割刀(02)的间距尺寸;所述第一传感器(1)和第二传感器(2)均通过独立的调试机构可平移的设置,进而通过调试机构进行第一传感器(1)和第二传感器(2)的水平位置调试,调整第一传感器(1)、第二传感器(2)与切割刀(02)的间距尺寸。
4.根据权利要求13中任一项所述的一种红麻收割机的切割收集机构,其特征在于:所述输送带(31)的截面呈V形。
5.根据权利要求3所述的一种红麻收割机的切割收集机构,其特征在于:所述红麻收割机的切割收集机构的使用方法包括:
S1:调试阻挡部(03)的水平位置,确定阻挡部(03)和切割刀(02)的间距尺寸L;
S2:调试第一传感器(1)和第二传感器(2)的水平位置,确定第一传感器(1)和切割刀(02)的间距尺寸为小于等于L而大于1/2L,确定第二传感器(2)和切割刀(02)的间距尺寸小于1/2L;
S3:当第一传感器(1)和第二传感器(2)均检测到红麻茎秆时,运行切割机构(0)进行红麻茎秆的输送并成段切割,输送带(31)正转令切割后成段的红麻茎秆输送至第一收集腔(41)被收集;
S4:当第一传感器(1)检测不到红麻茎秆,而第二传感器(2)检测到红麻茎秆时,确定后一段红麻茎秆长度不符合标准,反馈信号令输送带(31)在该段红麻茎秆输送时进行反转,将该段红麻茎秆输送至第二收集腔(42)被收集;
或者当第一传感器(1)和第二传感器(2)均检测不到红麻茎秆时,确定后一段红麻茎秆为废料,反馈信号令输送带(31)在该段红麻茎秆输送时平移开令下方的第三收集腔(43)对应后一段传送带(01)的输出端,该段红麻茎秆落入第三收集腔(43)被收集;
S5:完成S4后重新进行S3,输送带(31)恢复正转或者平移复位,进而令S3和S4反复进行。
技术领域
本发明涉及一种农业机械设备,更具体的说是一种红麻收割机的切割收集机构及使用方法。
背景技术
红麻是锦葵科、木槿属一年生或多年生草本植物,茎秆笔直,高3米左右,粗2厘米左右。红麻的茎皮和茎秆均有其使用价值,因此在收获后会进行剥皮的工序,然后可以对茎皮和茎秆进行分别的收集处理。为了提高红麻收割的效率,采用红麻收割机进行自动化的收割、剥皮、收集打捆等工序,来代替传统的人工操作。
申请人之前申请的申请号为202410949996.4,名称为一种红麻收割机的剥皮切割机构的发明专利,良好的实现了对红麻茎秆的有序输送、剥皮和切割收集;其中的切割机构将红麻茎秆切成等长的小段后收集,便于后序进行打捆,但是红麻茎秆本身并非等长的,所以在经过多次切割后其最后一段会存在长短不一的情况,这就有必要将最后一段进行筛选,将其筛除或根据其长度另外进行收集待利用,从而保证后序打捆成组的茎杆质量。
发明内容
针对现有技术存在的不足,本发明的目的为提供一种红麻收割机的切割收集机构及方法,通过对最后一段茎杆的长度进行检测,进而确定其长度是否符合标准,进而将最后一段茎杆输送向不同的收集位置,提高红麻茎杆的收集精细化程度。
为实现上述目的,本发明提供了如下技术方案:一种红麻收割机的切割收集机构,包括切割机构,切割机构包括两段传送带、切割刀和阻挡部,两段传送带依次设置并留有供切割刀通过的间隙,切割刀可活动的设置于两段传送带之间的间隙处,阻挡部可活动的设置于两段传送带的输出端,当阻挡部活动至传送带的输出端时对红麻茎秆进行阻挡,并由切割刀活动切割红麻茎秆,完成切割后阻挡部和切割刀远离传送带,并由传送带启动输出红麻茎秆;
前一段传送带的侧边设置有用于检测红麻茎秆的第一传感器和第二传感器,第一传感器和切割刀的间距等于切割刀和阻挡部的间距,进而由第一传感器感应停留的红麻茎秆是否符合标准的切割长度;第二传感器位于第一传感器和切割刀之间,进而由第二传感器感应停留的红麻茎秆是否符合废料标准;后一段传送带的输出端下方设置有输送机构,输送机构的下方设置收集机构,输送机构包括可平移活动的输送带,收集机构包括第一收集腔、第二收集腔和第三收集腔,输送带的两端下方分别设置第一收集腔和第二收集腔,输送带的下方设置第三收集腔;当第一传感器和第二传感器检测到红麻茎秆时,确定后一段红麻茎秆长度足够,输送带正转进行红麻茎秆向第一收集腔的输送;当第一传感器检测不到红麻茎秆,而第二传感器检测到红麻茎秆时,确定后一段红麻茎秆长度不符合标准,反馈令输送带反转进行红麻茎秆向第二收集腔的输送;当第一传感器和第二传感器均检测不到红麻茎秆时,确定后一段红麻茎秆为废料,反馈令输送带平移开令下方的第三收集腔对应后一段传送带的输出端令红麻茎秆落入第三收集腔。
作为一种改进,由阻挡部和切割刀限位并切割的红麻茎秆长度为标准长度L;第一传感器和切割刀的间距为小于等于L而大于1/2L;第二传感器和切割刀的间距为小于1/2L。
作为一种改进,阻挡部通过独立的调试机构可平移的设置,进而通过调试机构进行阻挡部的水平位置调试,调整阻挡部和切割刀的间距尺寸;第一传感器和第二传感器均通过独立的调试机构可平移的设置,进而通过调试机构进行第一传感器和第二传感器的水平位置调试,调整第一传感器、第二传感器与切割刀的间距尺寸。
作为一种改进,输送带的截面呈V形。
红麻收割机的切割收集机构的使用方法包括:
S1:调试阻挡部的水平位置,确定阻挡部和切割刀的间距尺寸L;
S2:调试第一传感器和第二传感器的水平位置,确定第一传感器和切割刀的间距尺寸为小于等于L而大于1/2L,确定第二传感器和切割刀的间距尺寸小于1/2L;
S3:当第一传感器和第二传感器均检测到红麻茎秆时,运行切割机构进行红麻茎秆的输送并成段切割,输送带正转令切割后成段的红麻茎秆输送至第一收集腔被收集;
S4:当第一传感器检测不到红麻茎秆,而第二传感器检测到红麻茎秆时,确定后一段红麻茎秆长度不符合标准,反馈信号令输送带在该段红麻茎秆输送时进行反转,将该段红麻茎秆输送至第二收集腔被收集;
或者当第一传感器和第二传感器均检测不到红麻茎秆时,确定后一段红麻茎秆为废料,反馈信号令输送带在该段红麻茎秆输送时平移开令下方的第三收集腔对应后一段传送带的输出端,该段红麻茎秆落入第三收集腔被收集;
S5:完成S4后重新进行S3,输送带恢复正转或者平移复位,进而令S3和S4反复进行。
本发明的有益效果:对于最后一段的红麻茎秆,可以根据其长度的差异被两个传感器检测,根据检测结果反馈给输送带,令其进行相对的调整,进而将不同长度的红麻茎秆回收,有利于后续的分别再利用,并且不影响标准长度的红麻茎秆整齐有序的收集并正常供向后序的捆扎机构完成标准化的捆扎,保证捆扎后的质量,提高红麻茎杆的收集精细化程度。
附图说明
图1为本发明的侧面结构示意图。
图1
图中:1、第一传感器;2、第二传感器;3、输送机构;31、输送带;4、收集机构;41、第一收集腔;42、第二收集腔;43、第三收集腔;0、切割机构;01、传送带;02、切割刀;03、阻挡部。
具体实施方式
以下结合附图对本发明的具体实施例做详细说明。
如图1所示,为本发明红麻收割机的切割收集机构的具体实施例,其附图仅表达结构间的相互配合关系,具体结构的位置和大小比例均可根据实际产品情况进行合理调整,并不对本发明的保护范围产生局限的定义。
红麻收割机的切割收集机构的具体实施例包括切割机构0,切割机构0包括两段传送带01、切割刀02和阻挡部03,两段传送带01依次设置并留有供切割刀02通过的间隙,切割刀02可活动的设置于两段传送带01之间的间隙处,阻挡部03可活动的设置于两段传送带01的输出端,当阻挡部03活动至传送带01的输出端时对红麻茎秆进行阻挡,并由切割刀02活动切割红麻茎秆,完成切割后阻挡部03和切割刀02远离传送带01,并由传送带01启动输出红麻茎秆;
前一段传送带01的侧边设置有用于检测红麻茎秆的第一传感器1和第二传感器2,第一传感器1和切割刀02的间距等于切割刀02和阻挡部03的间距,进而由第一传感器1感应停留的红麻茎秆是否符合标准的切割长度;第二传感器2位于第一传感器1和切割刀02之间,进而由第二传感器2感应停留的红麻茎秆是否符合废料标准;后一段传送带01的输出端下方设置有输送机构3,输送机构3的下方设置收集机构4,输送机构3包括可平移活动的输送带31,收集机构4包括第一收集腔41、第二收集腔42和第三收集腔43,输送带31的两端下方分别设置第一收集腔41和第二收集腔42,输送带31的下方设置第三收集腔43;当第一传感器1和第二传感器2检测到红麻茎秆时,确定后一段红麻茎秆长度足够,输送带31正转进行红麻茎秆向第一收集腔41的输送;当第一传感器1检测不到红麻茎秆,而第二传感器2检测到红麻茎秆时,确定后一段红麻茎秆长度不符合标准,反馈令输送带31反转进行红麻茎秆向第二收集腔42的输送;当第一传感器1和第二传感器2均检测不到红麻茎秆时,确定后一段红麻茎秆为废料,反馈令输送带31平移开令下方的第三收集腔43对应后一段传送带01的输出端令红麻茎秆落入第三收集腔43。
本发明在使用时,对于红麻茎秆前序的切皮和剥皮工序,可以直接参考申请人之前所申请的发明专利,其申请号为202410949996.4,名称为一种红麻收割机的剥皮切割机构的发明专利;完成切皮和剥皮工序后的红麻茎秆落至切割机构0,切割机构0的基础功能也可参考以上先前专利进行实施。作为本发明的创新性改进,在切割机构0的基础上设置用于检测红麻茎秆的第一传感器1和第二传感器2,并配合可进行状态调整的输送机构3。在一根红麻茎秆具有足够长度时,第一传感器1和第二传感器2在前一段传送带01的侧边均能够检测到,那么切割机构0和输送带31就正常运行,红麻茎秆被输送至第一收集腔41收集。当第一传感器1检测不到红麻茎秆,而第二传感器2检测到红麻茎秆时,说明剩余的最后一段红麻茎秆处于尺寸中长的长度状态,那么就将该信息反馈给输送带31(具体可反馈给驱动输送带31运行的电机),当后一段传送带01上的前一红麻茎秆段由输送带31顺利输送至第一收集腔41后(该过程所需的时间可由后一段传送带01、输送带31的运行输送速度确定),输送带31切换为反转,那么在最后一段红麻茎秆输送落于输送带31后,能够反向输送至第二收集腔42完成收集。当第一传感器1和第二传感器2均检测不到红麻茎秆时,说明剩余的最后一段红麻茎秆处于尺寸较短的长度状态,那么就将该信息反馈给输送带31(具体可反馈给输送带31所在的可驱动其进行平移调整的电机或气缸),当后一段传送带01上的前一红麻茎秆段由输送带31顺利输送至第一收集腔41后(该过程所需的时间可由后一段传送带01、输送带31的运行输送速度确定),输送带31被驱动进行平移,令下方的第三收集腔43对应后一段传送带01的输出端,那么最后一段红麻茎秆能够直接落向第三收集腔43完成收集。
第一收集腔41可对接向后序的打捆机构,进而进行后序流畅的标准化打捆操作,输出的打捆完成的红麻茎秆捆一致性高,不存在茎秆层次不齐的情况,保证成捆的质量,也不会出现原来一些较短的茎秆混入其中容易出现掉出或者成捆后松散的情况。对于第二收集腔42收集的红麻茎秆,其长度相对较长,可以在人工筛选后再进行打捆再利用;对于第三收集腔43收集的红麻茎秆,其相对较短而难以利用,之后可以供给粉碎机构进行粉碎再回收作为肥料进行再利用。
作为一种改进的具体实施方式,由阻挡部03和切割刀02限位并切割的红麻茎秆长度为标准长度L;第一传感器1和切割刀02的间距为小于等于L而大于1/2L;第二传感器2和切割刀02的间距为小于1/2L。
如图1所示,以正常切割的红麻茎秆长度作为标准长度L,第一传感器1用于检测红麻茎秆长度是否符合标准长度L,第二传感器2用于检测红麻茎秆长度是否符合1/2L。对于在第一传感器1和第二传感器2区间内的红麻茎秆长度,此长度的红麻茎秆虽然不足标准长度L,但是其长度还是可以进行另外的筛选并捆扎,供之后的售卖或使用;对于在第二传感器2和切割刀02区间内的红麻茎秆长度,这部分红麻茎秆因为太短,进而无法进行有效的捆扎、运输、使用,将这部分进行剔除,可以避免其影响后序的自动化捆扎,避免捆扎质量和产品质量的下降,这部分红麻茎秆可以在之后进行粉碎再回收作为肥料再利用。在限定了第一传感器1和第二传感器2两处的检测位置后,可以良好的确定红麻茎秆所要筛选的尺寸区间,能够良好的完成非标准红麻茎秆的分别收集并合理利用,提高后序无论人工还是机器的操作效率,保证产品质量。
作为一种改进的具体实施方式,阻挡部03通过独立的调试机构可平移的设置,进而通过调试机构进行阻挡部03的水平位置调试,调整阻挡部03和切割刀02的间距尺寸;第一传感器1和第二传感器2均通过独立的调试机构可平移的设置,进而通过调试机构进行第一传感器1和第二传感器2的水平位置调试,调整第一传感器1、第二传感器2与切割刀02的间距尺寸。
如图1所示,为了应对不同型号打捆机构的打捆位置不同,或者是后序具体运输、储存的空间需求,将阻挡部03设置为可通过调试机构调整的方式,进而可以根据具体需求来平移阻挡部03,进而改变阻挡部03和切割刀02的间距尺寸,从而实现对红麻茎秆的标准长度L的灵活调整。在限定了第一传感器1、第二传感器2两处所能检测的尺寸区间后,可以通过调试机构在设备使用前进行尺寸的调整,进而满足所需的筛选程度需求,即在改变传感器与切割刀02的间距大小后,例如令间距调试缩小,就可以放宽筛选的标准,令尺寸稍有不足的红麻茎秆能够被检测,进而满足上一级的收集标准,原来会被认定为废料的短红麻茎秆能够被第二传感器2检测到,进而能够被输送向第二收集腔42被收集,原来会被认定为次级料的中长红麻茎秆能够被第一传感器1检测到,进而能够被输送向第一收集腔41被收集,进而减少成为废料或次级料的红麻茎秆比例,进而提高红麻茎秆的整体利用率。或者可以将间距调试变大,提高筛选的严格度,在需要保证产品质量的情况下选择使用。
以上第一传感器1、第二传感器2、阻挡部03的调试机构均可设置为自动的调试方式,可由现有技术灵活实现。第一传感器1、第二传感器2、阻挡部03可设置于滑轨之上,然后通过电机、气缸等结构配合传动组件驱动以上部件在滑轨上水平移动完成位置调试。对于输送带31的水平移动亦可通过以上调试方式进行实现。
作为一种改进的具体实施方式,输送带31的截面呈V形。
在具体实施时,可通过输送带31的V形状态良好的限制红麻茎秆的竖直输送摆放状态,进而可以整齐的输送向第一收集腔41和第二收集腔42,便于红麻茎秆在第一收集腔41和第二收集腔42处有序排列,进而供给后序连接的打捆机构进行打捆。
麻收割机的切割收集机构的使用方法包括:
S1:调试阻挡部03的水平位置,确定阻挡部03和切割刀02的间距尺寸L;
S2:调试第一传感器1和第二传感器2的水平位置,确定第一传感器1和切割刀02的间距尺寸为小于等于L而大于1/2L,确定第二传感器2和切割刀02的间距尺寸小于1/2L;
S3:当第一传感器1和第二传感器2均检测到红麻茎秆时,运行切割机构0进行红麻茎秆的输送并成段切割,输送带31正转令切割后成段的红麻茎秆输送至第一收集腔41被收集;
S4:当第一传感器1检测不到红麻茎秆,而第二传感器2检测到红麻茎秆时,确定后一段红麻茎秆长度不符合标准,反馈信号令输送带31在该段红麻茎秆输送时进行反转,将该段红麻茎秆输送至第二收集腔42被收集;或者当第一传感器1和第二传感器2均检测不到红麻茎秆时,确定后一段红麻茎秆为废料,反馈信号令输送带31在该段红麻茎秆输送时平移开令下方的第三收集腔43对应后一段传送带01的输出端,该段红麻茎秆落入第三收集腔43被收集;
S5:完成S4后重新进行S3,输送带31恢复正转或者平移复位,进而令S3和S4反复进行。
在整体设备的基础上,采用以上使用方法,实现在具体使用时首先由步骤1确定所要切割的红麻茎秆标准长度L,进而可以适配后序不同型号打捆机构的打捆位置不同,或者是后序具体运输、储存的空间适配需求。然后在步骤1的基础上进行步骤2的操作,根据标准长度L进行第一传感器1和第二传感器2的调试,并根据所需的筛选程度需求,在调试区间确定具体与切割刀02的间距大小,例如令间距调试缩小,就可以放宽筛选的标准,令尺寸稍有不足的红麻茎秆能够被检测,进而满足上一级的收集标准,进而减少成为废料或次级料的红麻茎秆比例,进而提高红麻茎秆的整体利用率。或者可以将间距调试变大,提高筛选的严格度,在需要保证产品质量的情况下进行如此选择。在完成步骤1和2的调试后,运行步骤3,令整根红麻茎秆被切割机构0逐渐切割成定长的多段并陆续沿着输送带31输送至第一收集腔41被收集;在第一传感器1和第二传感器2出现检测不到红麻茎秆的情况时进入步骤4,通过两种检测情况的确定进而反馈信号令输送带31进行调整,使次级料或废料分别输送向第二收集腔42或第三收集腔43被收集;之后输送带31恢复原状态,并且反复的运行步骤3和4,即可令整体设备持续的进行红麻茎秆的切割、检测、收集,保证设备的加工效率;并且通过对最后一段红麻茎秆的检测,保证了产品的标准化,保证了后序打捆的质量和稳定性,保证了产品质量;被筛选收集的次级料可回收作为次品利用,废料可作为废料再利用,整体上做到物尽其用,更加的环保高效,避免浪费。对于本机构以及其使用方法,其良好的控制了整体的设备成本,通过简单的方式完成了对红麻茎秆的检测筛选,整体上保持了良好的设备大小,相比于原来的切割和收集结构,没有额外的增加体积,调试的方式也没有增加使用者本身的学习成本,整体上有利于进行推广使用,可作为一个独立的机构融入到现有的设备体系中进行使用,本身设备成本和后期维护成本均较低。
以上仅是本发明的优选实施方式,本发明的保护范围并不仅局限于上述实施例,凡属于本发明思路下的技术方案均属于本发明的保护范围。应当指出,对于本技术领域的普通技术人员来说,在不脱离本发明原理前提下的若干改进和润饰,这些改进和润饰也应视为本发明的保护范围。
文章摘自国家发明专利,一种红麻收割机的切割收集机构及使用方法,发明人:张彬,黄继承,田昆鹏,沐森林,孔凡婷,吴腾,牟忠,申请号:202511919558.4,申请日:2025.12.18。

