设为首页
加入收藏
首 页
团队建设
团队成员
最新动态
麻类行情
麻类价格
肥料行情
原理技术
施肥原理
施肥技术
最新技术
数据库
配方施肥
缺素诊断
专家系统
麻类咨询
标准规范
技术标准
技术规范
交流园地
智能模糊搜索
仅搜索标题
作者:
来源:
发布时间:
2019-04-05
Tag:
点击:
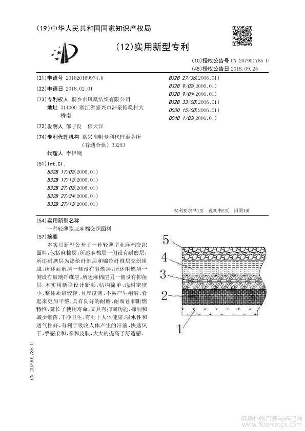
一种轻薄型亚麻棉交织面料
更多阅读
上一篇:
一种防臭竹纤维与亚麻混纺纱线
下一篇:
一种防刺复合材料的制备方法
文章排行
[麻进展]罗布麻茶中总黄酮测
胡麻100问(科普读物)
苎麻产业发展现状、植麻效益
罗布麻的生长特点、纤维理化
[麻简报]2021国家麻类产业发
[麻进展]工业大麻初加工技术
亚麻籽、亚麻籽粉、亚麻籽油
[麻进展]亚麻FAD基因家族的
[麻进展]亚麻赤霉素氧化酶基
湖南农业大学麻类研究--研究
最新文章
[麻专利]一种亚麻子的薄层鉴
[麻专利]一种亚麻纤维布酸洗
[麻专利]一种亚麻纱双碱煮煮
[麻专利]一种将工业大麻花叶
[麻专利]一种矮壮素在工业大
[麻进展]种群直流舀种式胡麻
[麻进展]纤籽兼用亚麻新品种
[麻进展]外源钙对盐胁迫下火
[麻进展]汉麻秆微细纤维结构
[麻进展]发酵剑麻渣饲料对育
关于本站
|
网站导航
|
实用查询
|
交流园地
|
管理登录
|
访问统计
|
图片展示
Copyright by Ramie Research Institute of Hunan Agricultural University
湖南农业大学农学院/苎麻研究所 版权所有 2009-2016
湘ICP备10006838号-1
湖南农业大学 互联网创新实验室