摘 要;本发明公开了一种亚麻布料除杂装置及其除杂方法,包括定位框架、布料清理支架、左侧抵接条、右侧抵接条、平移机构、抽吸重置组件;本发明通过平移机构驱动布料清理支架定期左右移动,使得亚麻布料的上下侧面可以在两个左侧抵接条和两个右侧抵接条之间切换,当两个左侧抵接条作业时,通过移动吸附块清理两个右侧抵接条的杂质,当两个右侧抵接条作业时,通过移动吸附块清理两个左侧抵接条的杂质,如此无需停机更换毛刷,实现高效、连续、便利的作业效果。
技术要点
1.一种亚麻布料除杂装置,其特征在于,包括定位框架、布料清理支架、左侧抵接条、右侧抵接条、平移机构、抽吸重置组件;所述定位框架的内部中间安装一个布料清理支架;所述布料清理支架的左侧内部上下分别安装一个左侧抵接条,布料清理支架的右侧内部上下分别安装一个右侧抵接条,左侧抵接条和右侧抵接条中间对接设置;所述平移机构安装于定位框架的上端一侧,平移机构驱动布料清理支架左右移动;所述定位框架的两侧分别安装一个抽吸重置组件;所述抽吸重置组件包括动力电机、移动吸附块、集渣排风箱体;所述定位框架的两侧分别固定安装一个集渣排风箱体;所述布料清理支架的两侧前后分别安装一个移动吸附块,位于布料清理支架同一侧的两个移动吸附块上端共同连接于同一个集渣排风箱体上;所述定位框架的下侧左右两端分别安装一个动力电机,一个动力电机分别驱动两个移动吸附块左右移动,并使得两个左侧抵接条之间的前后侧和两个右侧抵接条之间的前后侧实现风力抽吸。
2.根据权利要求1所述的亚麻布料除杂装置,其特征在于,所述抽吸重置组件还包括纵置通风管、横置分流管、伸缩管;所述移动吸附块的上端分别安装一个纵置通风管,两个纵置通风管上端共同连接一个横置分流管,横置分流管的外侧通过伸缩管连接于集渣排风箱体上。
3.根据权利要求1所述的亚麻布料除杂装置,其特征在于,所述集渣排风箱体外侧设有排风管,排风管上设有动力泵。
4.根据权利要求1所述的亚麻布料除杂装置,其特征在于,所述定位框架的下侧两端分别设有驱动卡槽,驱动卡槽内左右滑动安装有一个移动块,移动块上分别螺纹旋接一个丝杆,丝杆转动安装于驱动卡槽内,动力电机通过内端的驱动轴连接丝杆端部;所述移动吸附块的下端分别设有连接杆,两个连接杆下端共同安装于移动块的上端侧部。
5.根据权利要求1所述的亚麻布料除杂装置,其特征在于,所述移动空腔块的内侧分别设有抽吸管头。
6.根据权利要求1所述的亚麻布料除杂装置,其特征在于,所述左侧抵接条和右侧抵接条为毛刷。
7.根据权利要求1所述的亚麻布料除杂装置,其特征在于,所述平移机构为伸缩气缸;所述布料清理支架的上端中间设有移动柱,定位框架的上端内侧设有移动滑槽,移动柱的上端滑动卡接于移动滑槽上;所述伸缩气缸的内端通过伸缩轴穿入移动滑槽并连接于移动柱上端侧部。
8.一种根据权利要求1所述的亚麻布料除杂装置的除杂方法,其特征在于,步骤如下:
S1、将亚麻布料通过布料清理支架内部的两个左侧抵接条之间进行走料收卷,通过两个左侧抵接条对亚麻布料上下侧面进行清理杂质;
S2、当左侧抵接条清理一段时间后,通过平移机构驱动布料清理支架向左侧移动,使得两个左侧抵接条向两个右侧抵接条逐步过渡,直至亚麻布料上下侧面完全通过右侧抵接条进行抵接清理,然后通过定位框架的下侧左端的动力电机驱动两个移动吸附块往复移动多次后复位,使得两个移动吸附块在两个左侧抵接条之间的前后侧进行移动吸附,使得两个左侧抵接条的杂质灰尘被吸附回收至集渣排风箱体内;
S3、当右侧抵接条清理一段时间后,通过平移机构驱动布料清理支架向右侧移动,使得两个右侧抵接条向两个左侧抵接条逐步过渡,直至亚麻布料上下侧面完全通过左侧抵接条进行抵接清理,然后通过定位框架的下侧右端的动力电机驱动两个移动吸附块往复移动多次后复位,使得两个移动吸附块在两个右侧抵接条之间的前后侧进行移动吸附,使得两个右侧抵接条的杂质灰尘被吸附回收至集渣排风箱体内;
S4、重复步骤S2和S3。
技术领域
本发明涉及一种亚麻布料除杂装置及其除杂方法。
背景技术
亚麻除杂装置是指在亚麻布料加工的过程中对已经加工完成的产品在进行收卷时,通过亚麻布料除杂装置对布料表面的杂毛或者灰尘进行清理的过程;亚麻布料主要用于服装厂领域中,具有抑菌、耐用、稳定、透气等特点;现有的亚麻除杂装置在使用时一般是通过两个上下分布的毛刷进行清理杂毛和灰尘,亚麻布料在走料时通过两个上下分布的毛刷得到除杂目的,但是现有的结构在除杂清理时,有时需要定期更换上下的毛刷,因为毛刷除杂时间久了之后,会使得毛刷上附着大量杂质,如果不清理会使得毛刷失去除杂效果,为此需要定期停机更换毛刷,如此使得作业效率低下,操作繁琐。
发明内容
针对上述现有技术的不足之处,本发明解决的问题为:提供一种作业高效、连续、便利的亚麻布料除杂装置及其除杂方法。
为解决上述问题,本发明采取的技术方案如下:
一种亚麻布料除杂装置,包括定位框架、布料清理支架、左侧抵接条、右侧抵接条、平移机构、抽吸重置组件;所述定位框架的内部中间安装一个布料清理支架;所述布料清理支架的左侧内部上下分别安装一个左侧抵接条,布料清理支架的右侧内部上下分别安装一个右侧抵接条,左侧抵接条和右侧抵接条中间对接设置;所述平移机构安装于定位框架的上端一侧,平移机构驱动布料清理支架左右移动;所述定位框架的两侧分别安装一个抽吸重置组件;所述抽吸重置组件包括动力电机、移动吸附块、集渣排风箱体;所述定位框架的两侧分别固定安装一个集渣排风箱体;所述布料清理支架的两侧前后分别安装一个移动吸附块,位于布料清理支架同一侧的两个移动吸附块上端共同连接于同一个集渣排风箱体上;所述定位框架的下侧左右两端分别安装一个动力电机,一个动力电机分别驱动两个移动吸附块左右移动,并使得两个左侧抵接条之间的前后侧和两个右侧抵接条之间的前后侧实现风力抽吸。
进一步,所述抽吸重置组件还包括纵置通风管、横置分流管、伸缩管;所述移动吸附块的上端分别安装一个纵置通风管,两个纵置通风管上端共同连接一个横置分流管,横置分流管的外侧通过伸缩管连接于集渣排风箱体上。
进一步,所述集渣排风箱体外侧设有排风管,排风管上设有动力泵。
进一步,所述定位框架的下侧两端分别设有驱动卡槽,驱动卡槽内左右滑动安装有一个移动块,移动块上分别螺纹旋接一个丝杆,丝杆转动安装于驱动卡槽内,动力电机通过内端的驱动轴连接丝杆端部;所述移动吸附块的下端分别设有连接杆,两个连接杆下端共同安装于移动块的上端侧部。
进一步,所述移动空腔块的内侧分别设有抽吸管头。
进一步,所述左侧抵接条和右侧抵接条为毛刷。
进一步,所述平移机构为伸缩气缸;所述布料清理支架的上端中间设有移动柱,定位框架的上端内侧设有移动滑槽,移动柱的上端滑动卡接于移动滑槽上;所述伸缩气缸的内端通过伸缩轴穿入移动滑槽并连接于移动柱上端侧部。
一种亚麻布料的除杂方法,步骤如下:
S1、将亚麻布料通过布料清理支架内部的两个左侧抵接条之间进行走料收卷,通过两个左侧抵接条对亚麻布料上下侧面进行清理杂质;
S2、当左侧抵接条清理一段时间后,通过平移机构驱动布料清理支架向左侧移动,使得两个左侧抵接条向两个右侧抵接条逐步过渡,直至亚麻布料上下侧面完全通过右侧抵接条进行抵接清理,然后通过定位框架的下侧左端的动力电机驱动两个移动吸附块往复移动多次后复位,使得两个移动吸附块在两个左侧抵接条之间的前后侧进行移动吸附,使得两个左侧抵接条的杂质灰尘被吸附回收至集渣排风箱体内;
S3、当右侧抵接条清理一段时间后,通过平移机构驱动布料清理支架向右侧移动,使得两个右侧抵接条向两个左侧抵接条逐步过渡,直至亚麻布料上下侧面完全通过左侧抵接条进行抵接清理,然后通过定位框架的下侧右端的动力电机驱动两个移动吸附块往复移动多次后复位,使得两个移动吸附块在两个右侧抵接条之间的前后侧进行移动吸附,使得两个右侧抵接条的杂质灰尘被吸附回收至集渣排风箱体内;
S4、重复步骤S2和S3。
本发明的有益效果如下:
本发明通过平移机构驱动布料清理支架定期左右移动,使得亚麻布料的上下侧面可以在两个左侧抵接条和两个右侧抵接条之间切换,当两个左侧抵接条作业时,通过移动吸附块清理两个右侧抵接条的杂质,当两个右侧抵接条作业时,通过移动吸附块清理两个左侧抵接条的杂质,如此无需停机更换毛刷,实现高效、连续、便利的作业效果。
附图说明
图1为本发明两个左侧抵接条进行抵接除杂的结构示意图。
图1
图2为本发明两个右侧抵接条进行抵接除杂的结构示意图。
图2
图3为本发明移动吸附块清理两个左侧抵接条的杂质的结构示意图。
图3
图4为本发明图2的左侧结构示意图。
图4
图5为本发明图3的左侧结构示意图。[0018]图6为本发明图3的左视结构示意图。
图5
具体实施方式
下面结合附图对本发明内容作进一步详细说明。
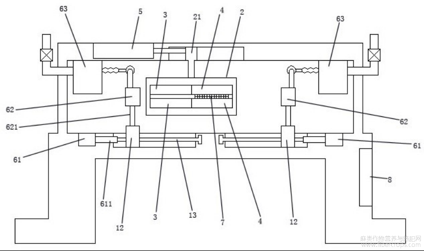
如图1至6所示,一种亚麻布料除杂装置,包括定位框架1、布料清理支架2、左侧抵接条3、右侧抵接条4、平移机构5、抽吸重置组件6;所述定位框架1的内部中间安装一个布料清理支架2;所述布料清理支架2的左侧内部上下分别安装一个左侧抵接条3,布料清理支架2的右侧内部上下分别安装一个右侧抵接条4,左侧抵接条3和右侧抵接条4中间对接设置;所述平移机构5安装于定位框架1的上端一侧,平移机构5驱动布料清理支架2左右移动;所述定位框架1的两侧分别安装一个抽吸重置组件6;所述抽吸重置组件6包括动力电机61、移动吸附块62、集渣排风箱体63;所述定位框架1的两侧分别固定安装一个集渣排风箱体63;所述布料清理支架2的两侧前后分别安装一个移动吸附块62,位于布料清理支架2同一侧的两个移动吸附块62上端共同连接于同一个集渣排风箱体63上;所述定位框架1的下侧左右两端分别安装一个动力电机61,一个动力电机61分别驱动两个移动吸附块62左右移动,并使得两个左侧抵接条3之间的前后侧和两个右侧抵接条4之间的前后侧实现风力抽吸。
如图1至6所示,为了便于气流的导通,便于抽吸左侧抵接条3和右侧抵接条4的杂质,进一步,所述抽吸重置组件6还包括纵置通风管64、横置分流管65、伸缩管66;所述移动吸附块62的上端分别安装一个纵置通风管64,两个纵置通风管64上端共同连接一个横置分流管65,横置分流管65呈前后形态分布,横置分流管65的外侧通过伸缩管66连接于集渣排风箱体63上。进一步,所述集渣排风箱体63外侧设有排风管631,排风管631上设有动力泵632。如此气流带动杂质依次进入移动吸附块62、纵置通风管64、横置分流管65、伸缩管66、集渣排风箱体63,最后气流从排风管631排出。
如图1至6所示,为了便于控制移动吸附块62的往复移动,进一步,所述定位框架1的下侧两端分别设有驱动卡槽11,驱动卡槽11内左右滑动安装有一个移动块12,移动块12上分别螺纹旋接一个丝杆13,丝杆13转动安装于驱动卡槽11内,动力电机61通过内端的驱动轴611连接丝杆13端部;所述移动吸附块62的下端分别设有连接杆621,两个连接杆621下端共同安装于移动块12的上端侧部。进一步,所述移动空腔块62的内侧分别设有抽吸管头622。进一步,所述左侧抵接条3和右侧抵接条4为毛刷。
如图1至6所示,为了对布料清理支架2进行左右移动控制,进一步,所述平移机构5为伸缩气缸;所述布料清理支架2的上端中间设有移动柱21,定位框架1的上端内侧设有移动滑槽14,移动柱21的上端滑动卡接于移动滑槽14上;所述伸缩气缸的内端通过伸缩轴穿入移动滑槽14并连接于移动柱21上端侧部。
如图1至6所示,一种亚麻布料的除杂方法,步骤如下:
S1、将亚麻布料7通过布料清理支架2内部的两个左侧抵接条3之间进行走料收卷,通过两个左侧抵接条3对亚麻布料7上下侧面进行清理杂质。
S2、当左侧抵接条3清理一段时间后,通过平移机构5驱动布料清理支架2向左侧移动,使得两个左侧抵接条3向两个右侧抵接条4逐步过渡,直至亚麻布料7上下侧面完全通过右侧抵接条4进行抵接清理,然后通过定位框架1的下侧左端的动力电机61驱动两个移动吸附块62往复移动多次后复位,使得两个移动吸附块62在两个左侧抵接条3之间的前后侧进行移动吸附,使得两个左侧抵接条3的杂质灰尘被吸附回收至集渣排风箱体63内。
S3、当右侧抵接条4清理一段时间后,通过平移机构5驱动布料清理支架2向右侧移动,使得两个右侧抵接条4向两个左侧抵接条3逐步过渡,直至亚麻布料7上下侧面完全通过左侧抵接条3进行抵接清理,然后通过定位框架1的下侧右端的动力电机61驱动两个移动吸附块62往复移动多次后复位,使得两个移动吸附块62在两个右侧抵接条4之间的前后侧进行移动吸附,使得两个右侧抵接条4的杂质灰尘被吸附回收至集渣排风箱体63内。
S4、重复步骤S2和S3;
本发明的平移机构5、动力电机61、动力泵632均可通过外部控制器8进行协同控制。
本发明通过平移机构5驱动布料清理支架2定期左右移动,使得亚麻布料7的上下侧面可以在两个左侧抵接条3和两个右侧抵接条4之间切换,当两个左侧抵接条3作业时,通过移动吸附块62清理两个右侧抵接条4的杂质,当两个右侧抵接条4作业时,通过移动吸附块62清理两个左侧抵接条3的杂质,如此无需停机更换毛刷,实现高效、连续、便利的作业效果。
以上所述仅为本发明的较佳实施例而已,并不用以限制本发明,凡在本发明的精神和原则之内,所作的任何修改、等同替换、改进等,均应包含在本发明的保护范围之内。





