摘 要:本发明公开了一种用于剑麻纱条织布机的自动探纬进纡装置,所述自动探纬进纡装置与电气控制电路连接,通过织布机的梭床左、右两端梭箱分别进行探纬与进纡,所述自动探纬进纡装置,包括纬梭,以及在纬梭内置纡变传导杆,所述纡变传导杆左端设探纬感应块,探纬感应块内侧设有弹簧,所述弹簧通过第一螺栓固定在纬梭中,纡变传导杆右端通过小轴装在支座的轴孔上,所述支座通过第二螺栓固定在纬梭的导纱槽的一侧,所述纡变传导杆的外侧设有限位螺钉,所述限位螺钉正上方于梭腔口处设有止位销,本发明能够适时、准确、自动地进行探纬进纡,能够实现织布机全自动织布过程,且具有结构简单、故障少、安装拆卸方便,减轻了劳动强度,提高了生产效率。
技术要点
1.一种用于剑麻纱条织布机的自动探纬进纡装置,该自动探纬进纡装置通过剑麻纱条织布机的左、右梭箱(25)分别探纬与进纡,所述自动探纬进纡装置与电气控制电路连接,其特征在于:
所述自动探纬进纡装置,包括纬梭(1),以及在纬梭(1)内置纡变传导杆(8),所述纡变传导杆(8)左端设探纬感应块(2),探纬感应块(2)内侧设有弹簧(3),所述弹簧(3)通过第一螺栓(4)固定在纬梭(1)中,纡变传导杆(8)右端通过小轴(9)可活动性安装在支座(10)的轴孔上,所述支座(10)通过第二螺栓(11)固定在纬梭(1)的导纱槽(12)的一侧,所述纡变传导杆(8)左端外侧设有限位螺钉(5),限位螺钉(5)正上方设有止位销(6),止位销(6)设在纬梭(1)腔槽口处并连接腔槽两壁;
所述左、右梭箱(25)分别设在剑麻纱条织布机的梭床左右两端,所述左、右梭箱(25)分别包括梭床(13),以及安装在梭床(13)上的前拦梭板(15)、上拦梭板(23)和后拦梭板(24),左、右梭箱(25)的轴向外侧还分别设有皮结(14),前拦梭板(15)通过第四螺栓(21)和第五螺栓(22)固定在梭床(13)上。
2.根据权利要求1所述一种用于剑麻纱条织布机的自动探纬进纡装置,其特征在于:所述纬梭(1)的腔槽底板沿中间线开设槽沟(7),槽沟(7)可为纡变传导杆(8)上下摆动延伸空间。
3.根据权利要求1所述一种用于剑麻纱条织布机的自动探纬进纡装置,其特征在于:所述纡变传导杆(8)为凹型结构,纡变传导杆(8)的限位螺钉(5)高度可调整,限位螺钉(5)与止位销(6)配合,传递探纬结束信号,纡变传导杆(8)通过弹簧(3)和小轴(9)的相互作用绕支座10上下摆动。
4.根据权利要求1所述一种用于剑麻纱条织布机的自动探纬进纡装置,其特征在于:所述左梭箱(25)的前拦梭板(15)的左前方通过第三螺栓(16)固定有支架(17),所述支架(17)设有长形孔(19),长形孔(19)中设有探纬接近开关(18)。
5.根据权利要求4所述一种用于剑麻纱条织布机的自动探纬进纡装置,其特征在于:所述左梭箱(25)的前拦梭板(15)上设有长形的探测孔(20),探测孔(20)与长形孔(19)相对应,探纬接近开关(18)透过探测孔(20)探测纬纱。
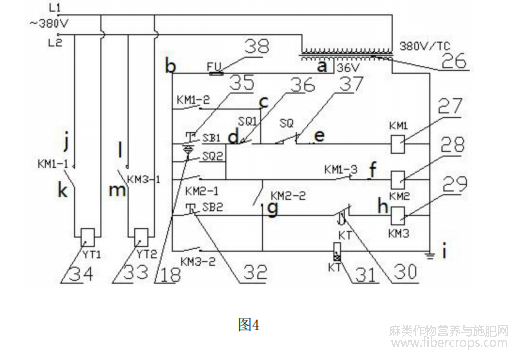
6.根据权利要求1所述一种用于剑麻纱条织布机的自动探纬进纡装置,其特征在于:所述电气控制电路,包括变压器380V/TC(26)、进纡交流接触器线圈KM1(27)、辅助交流接触器线圈KM2(28)、收布控制交流接触器线圈KM3(29)、时间继电器KT线圈(31)、暂停收布按钮SB2(32)、收布控制电磁铁YT2(33)、进纡电磁铁YT1(34)、进纡按钮SB1(35)、进纡启动行程开关SQ1(36)、进纡结束行程开关SQ(37)、熔断器FU(38)、探纬接近开关SQ2(18)与相关触点;
所述变压器380V/TC(26)输入端连接在L1、L2相线上,输出端分别连接控制电路两端的交点a和i间,探纬接近开关SQ2(18)与进纡按钮SB1(35)并联连接在交点b和d间,进纡启动行程开关SQ1(36)连接在交点c和d间,进纡结束行程开关SQ(37)连接在交点c和e间,暂停收布按钮SB2(32)连接在交点b和g间,时间继电器KT线圈(31)连接在交点g和i间,时间继电器KT触点(30)连接在交点g和h间,熔断器FU(38)连接在交点a和b间,进纡交流接触器线圈KM1(27)、辅助交流接触器线圈KM2(28)、收布控制交流接触器线圈KM3(29)分别连接在交点e和i间、f和i间、h和i间,触点KM1-1、KM1-2、KM1-3、KM2-1、KM2-2、KM3-1、KM3-2分别连接在交点j和k间、b和c间、d和f间、b和d间、d和g间、l和m间、b和g间。
技术领域
本发明涉及织布机的辅助设备领域,具体涉及一种用于剑麻纱条织布机的自动探纬进纡装置。
背景技术
我国目前通用的剑麻纱条织布机主要有JB170型和JB130型两种机型,都是有梭织机。以前,这类织布机进纡时须先停机、人工装纡,反复停机、反复装纡,织工劳动强度大,且效率极为低下。在专利号为ZL01221284.9(一种用于剑麻纱条织布机的自动进纱装置)出现后,成功地解决了不停机进纡、电动进纡,生产效率成数倍提高。但是,该装置是依靠人工观察判断纬梭内纡子纱条是否织完,然后通过人工启动按钮进纡动作的,由于人工判断存在主观随意性,且不准确,进纡过早或过迟都会造成麻布纬纱缺漏或重叠过多,影响麻布外观与质量。因为没有解决好自动探纬、自动进纡等问题,导致该机存在着麻布漏织缺纬、纡子有时推不进纬梭腔内等严重问题。同时,因为要时时刻刻紧盯住纬梭内的纬纱,一个织工只能操作管理一台这类机型织布机,由于精神长时间集中,导致织工操作非常紧张、疲劳,且生产效率也不高。
术语解释:“纡”,就是纡子,由纱条卷绕成棒状,将纡子装进纬梭腔槽内由纬梭带动来回退解引纬。“进纡”就是将纡子推进纬梭腔内的意思。据《织造原理》等书籍中有“换纡”的提法,在这里所提的“进纡”实质上也是一种不同形式的“换纡”。
发明内容
本发明的目的在于提供一种用于剑麻纱条织布机的自动探纬进纡装置,实践证明,该装置能够适时、准确、自动地进行探纬进纡,能够实现剑麻纱条织布机全自动织布过程,且具有结构简单、故障少、安装拆卸方便,减轻劳动强度,提高生产效率。
为了实现上述目的,本发明采用如下技术方案:
一种用于剑麻纱条织布机的自动探纬进纡装置,该自动探纬进纡装置通过织布机的梭床两端左、右梭箱分别进行探纬与进纡,所述自动探纬进纡装置与电气控制电路连接,其特征在于:
所述自动探纬进纡装置,包括纬梭,以及在纬梭内置纡变传导杆,所述纡变传导杆左端设探纬感应块,探纬感应块内侧设有弹簧,所述弹簧通过第一螺栓固定在纬梭中,纡变传导杆右端通过小轴可活动性安装在支座的轴孔上,所述支座通过第二螺栓固定在纬梭的导纱槽的一侧,所述纡变传导杆左端外侧设有限位螺钉,止位销设在限位螺钉正上方的纬梭腔槽口处并连接腔槽两壁。
所述左、右梭箱,分别设在剑麻纱条织布机的梭床左右两端,左、右梭箱分别包括梭床,以及安装在梭床上的前拦梭板、上拦梭板和后拦梭板,皮结设在梭箱的轴向外侧,前拦梭板通过第四螺栓和第五螺栓固定在梭床上。
所述纬梭经过适当的钻孔、开槽沟等改造,纬梭的腔槽底板沿中间线开设槽沟,槽沟可为纡变传导杆上下摆动延伸空间。
所述纡变传导杆为凹型结构,纡变传导杆左端外侧靠近探纬感应块处设置限位螺钉,限位螺钉高度可依实际需要调整。限位螺钉与止位销配合,传递探纬结束信号。纡变传导杆可通过弹簧和小轴的相互作用可上下摆动。
所述左梭箱的前拦梭板设有长形的探测孔,该前拦梭板的左前方通过第三螺栓固定有支架,所述支架设有与探测孔相对应的长形孔,长形孔中设有探纬接近开关,探纬接近开关透过探测孔探测纬纱。
所述电气控制电路,包括变压器380V/TC、进纡交流接触器线圈KM1、辅助交流接触器线圈KM2、收布控制交流接触器线圈KM3、时间继电器线圈KT、进纡电磁铁YT1、收布控制电磁铁YT2、进纡结束行程开关SQ、进纡启动行程开关SQ1、探纬接近开关SQ2、进纡按钮SB1、暂停收布按钮SB2、熔断器FU和相关触点。
所述变压器380V/TC输入端连接在L1、L2相线上,输出端分别连接控制电路两端的交点a和i间,探纬接近开关SQ2与进纡按钮SB1并联连接在交点b和d间,进纡启动行程开关SQ1连接在交点c和d间,进纡结束行程开关SQ连接在交点c和e间,暂停收布按钮SB2连接在交点b和g间,时间继电器KT线圈连接在交点g和i间,时间继电器KT触点连接在交点g和h间,熔断器FU连接在交点a和b间,进纡交流接触器线圈KM1、辅助交流接触器线圈KM2、收布控制交流接触器线圈KM3分别连接在交点e和i间、f和i间、h和i间,触点KM1-1、KM1-2、KM1-3、KM2-1、KM2-2、KM3-1、KM3-2分别连接在交点j和k间、b和c间、d和f间、b和d间、d和g间、l和m间、b和g间。
本发明的有益效果:实践证明,与现有技术相比,本发明通过电气探测方式进行探纬并自动进纡,做到适时、准确、自动,比以前靠人工观察判断、电动进纡精准得多,且麻布重纬少,布边纬纱头少,布面美观得多,剑麻纱条织布机基本实现全自动化织布,提高织布机的生产效率和经济效益。同时,也解决了以前靠人工观察、电动进纡的不准确性,缓解了织工精神紧张和身心疲劳,大大地减轻了劳动强度。此外,探纬进纡机构结构简单,安装拆卸方便,故障少,维修容易。如今,一名织工可以管理操作该类型织布机2-4台。
附图说明
图1为本发明一种用于剑麻纱条织布机自动探纬进纡装置的整体结构示意图。
图2为本发明一种用于剑麻纱条织布机自动探纬进纡装置的纬梭内置探纬机构主视图。
图3为本发明一种用于剑麻纱条织布机自动探纬进纡装置的纬梭内置探纬机构剖面图。
图4为本发明一种用于剑麻纱条织布机自动探纬进纡装置的电气控制电路图。
图中:1纬梭、2探纬感应块、3弹簧、4第一螺栓、5限位螺钉、6止位销、7槽沟、8纡变传导杆、9小轴、10支座、11第二螺栓、12导纱槽、13梭床、14皮结、15前拦梭板、16第三螺栓、17支架、18探纬接近开关、19长形孔、20探测孔、21第四螺栓、22第五螺栓、23上拦梭板、24后拦梭板、25梭箱、26变压器380V/TC、27进纡交流接触器线圈KM1、28辅助交流接触器线圈KM2、29收布控制交流接触器线圈KM3、30时间继电器KT触点、31时间继电器KT线圈、32暂停收布按钮SB2、33收布控制电磁铁YT2、34进纡电磁铁YT1、35进纡按钮SB1、36进纡启动行程开关SQ1、37进纡结束行程开关SQ、38熔断器FU。
具体实施方式
下面结合附图,对本发明实施例中的技术方案进行详细描述。
本发明中的几点说明:
1.“梭床”是习惯用语,在织布机书籍中专业术语为“筘座”。
2.这里所说的“内”“外”侧,是相对而言。“内”侧是指向着部件的里面,里面可能是底板也可能是机器内,“外”侧是指向着外面或机器、部件的外面。以纬梭为例,向着纬梭的腔槽底板就是“内”侧,向着纬梭的腔口外,就是“外”侧。又如纡变传导杆的外侧设有限位螺钉,这里的“外侧”是指向着纬梭腔槽口的那一侧。
3.纬梭工作状态是其腔槽口向外侧,则向着织工方向,方便进纡。
如图1、2、3和4所示,一种用于剑麻纱条织布机的自动探纬进纡装置,该自动探纬进纡装置通过织布机的梭床两端左、右梭箱25分别进行探纬与进纡,所述自动探纬进纡装置与电气控制电路连接,由电气控制电路控制自动探纬进纡装置的运行,以提高剑麻纱条织布机操作的全面自动化程度及减轻工人的劳动强度。
所述自动探纬进纡装置,包括纬梭1,以及在纬梭1内置纡变传导杆8,所述纡变传导杆8左端设探纬感应块2,探纬感应块2内侧设有弹簧3,所述弹簧3通过第一螺栓4固定在纬梭1中,纡变传导杆8右端通过小轴9可活动性安装在支座10的轴孔上,所述支座10通过第二螺栓11固定在纬梭1的导纱槽12的一侧,所述纡变传导杆8左端外侧设有限位螺钉5,止位销6设在限位螺钉5正上方的纬梭1腔槽口处并连接腔槽两壁。
所述左、右梭箱25,分别设在剑麻纱条织布机的梭床13左右两端,左、右梭箱25包括梭床13,以及安装在梭床13上的前拦梭板15、上拦梭板23和后拦梭板24。皮结14设在左、右梭箱25的轴向外侧,前拦梭板15通过第四螺栓21和第五螺栓22固定在梭床13上。
所述左梭箱25的前拦梭板15的左前方通过第三螺栓16固定有支架17,所述支架17设有长形孔19,长形孔19中设有探纬接近开关18,探纬接近开关18处于常开状态,所述左梭箱25的前拦梭板15上设有与长形孔19相对应的探测孔20,探纬接近开关18透过探测孔20探测纬纱,即探纬接近开关18透过前拦梭板15的探测孔20探测纬梭中探纬感应块2。探纬接近开关18安装时,可根据纬梭1停驻于左梭箱25时的探纬感应块2位置来安装调整。
所述纬梭1,需对正常纬梭进行适当钻孔、开槽沟等改造。改造时,要结合纬梭的结构特点,尽可能减少对纬梭1破坏,以保持纬梭1的结构刚性与强度。如纬梭1腔槽底板沿中间线开设槽沟7,长槽沟7的宽度与深度适中,能够满足纡变传导杆8上下摆动有足够空间即可。
所述纡变传导杆8为凹型结构,刚性好,质量轻,受纬纡挤压不易变形,在纬梭1腔槽内呈一定角度的倾斜设置。可用不锈钢Φ8沿轴线刨成平面结构焊接而成。
所述纡变传导杆8的探纬感应块2内侧与弹簧3接触处设有圆槽,弹簧3嵌入圆槽中并对纡变传导杆8进行轴向定位,确保纡变传导杆8只能上下摆动,不能左右偏离。弹簧3弹性性能好,对纡子变化反应要灵敏,且不易疲劳断裂。
所述限位螺钉5设置在纡变传导杆8左端外侧靠近探纬感应块2处,限位螺钉5高度可依实际需要上下调整,限位螺钉5运动到上限位置时正好顶住其正上方的止位销6,传递探纬结束信号。
如图4所示,所述电气控制电路,包括变压器380V/TC26、进纡交流接触器线圈KM127、辅助交流接触器线圈KM228、收布控制交流接触器线圈KM329、时间继电器KT线圈31、暂停收布按钮SB232、探纬接近开关SQ218、收布控制电磁铁YT233、进纡电磁铁YT134、进纡按钮SB135、进纡启动行程开关SQ136、进纡结束行程开关SQ37、熔断器FU38与相关触点。所述时间继电器KT触点30,设定为通电延时断开;进纡启动行程开关SQ136,设定为常开状态;进纡结束行程开关SQ37,设定为常闭状态;探纬接近开关SQ218,设定为常开状态等。
所述进纡按钮SB1和暂停收布按钮SB2可用于织布机或纬梭1出现异常或故障时进行应急备用或检修之用。
所述电气控制电路的连接方式为:变压器380V/TC26输入端连接在L1、L2相线上,输出端分别连接控制电路两端的交点a和i间,探纬接近开关SQ218与进纡按钮SB135并联连接在交点b和d间,进纡启动行程开关SQ136连接在交点c和d间,进纡结束行程开关SQ37连接在交点c和e间,暂停收布按钮SB232连接在交点b和g间,时间继电器KT线圈31连接在交点g和i间,时间继电器KT触点30连接在交点g和h间,熔断器FU38连接在交点a和b间,进纡交流接触器线圈KM127、辅助交流接触器线圈KM228、收布控制交流接触器线圈KM329分别连接在交点e和i间、f和i间、h和i间,触点KM1-1、KM1-2、KM1-3、KM2-1、KM2-2、KM3-1、KM3-2分别连接在交点j和k间、b和c间、d和f间、b和d间、d和g间、l和m间、b和g间。此外,收布控制电磁铁YT233、进纡电磁铁YT134、进纡启动行程开关SQ136和进纡结束行程开关SQ37的安装均为常规技术,可以依照专利号为ZL01221284.9的中国专利文献的自动进纱装置的安装位置。
所述时间继电器KT触点30,设定为通电延时断开,确保进纡动作结束后,适当延长收布控制交流接触器KM329的通电时间(即延长暂停收布时间)后再断开,以避免出现纬梭1进纡后在引纬开始的瞬间发生收布动作而导致麻布出现漏织缺纬现象。进纱启动行程开关SQ136,设定为常开状态,与之配对的撞击金属撞块的弧长要适中,且稍微向前调整一个小角度(与专利号ZL01221284.9相应的行程开关相比),以稍微提前进纡启动行程开关SQ136的闭合动作时间,以确保进纡启动行程开关SQ136提前通电及触点KM1-2充分闭合,确保进纡时间有足够长可使纡子完全被推进纬梭1腔槽内。
所述电气控制电路通过配合探纬进纡装置来完成探纬进纡工作。控制电路工作原理:当探纬接近开关SQ2(或进纡按钮SB1)闭合时,探纬结束,辅助交流接触器线圈KM2通电,触点KM2-1、KM2-2闭合,时间继电器KT线圈通电,收布控制交流接触器线圈KM3通电,触点KM3-1、KM3-2闭合,收布控制电磁铁YT2接通,暂时停止收布,开始进入进纡状态;当进纡启动行程开关SQ1与其配对的金属撞块撞击而闭合时,进纡交流接触器线圈KM1通电,触点KM1-1、KM1-2闭合,触点KM1-3断开,此时进纡电磁铁YT1接通,开始进纡。同时,由于触点KM1-3的断开而切断了辅助交流接触器线圈KM2电源,触点KM2-1、KM2-2随之断开,从而切断探纬接近开关SQ2(或进纡按钮SB1)间的电源,以防止进纡后再次产生重复进纡动作。由于触点KM1-2的闭合使进纡状态持续维持,直至进纡结束行程开关SQ断开后进纡才结束。尔后,当时间继电器KT设定延时的时间到达时其触点即时断开,延长暂停收布时间结束,织布机收布重新开始。
剑麻纱条织布机工作时,纬梭在梭床中来回牵引纬纱,每次纬梭引纬进入并暂停于梭床左梭箱的瞬间,探纬接近开关都会对纬梭内置的探纬感应块进行探测,纡子因引纬退解不断变短小而对纡变传导杆的挤压也逐渐减轻,弹簧推动探纬感应块渐渐地向纬梭腔槽口推移,当纡子退解接近完成时,限位螺钉接近并顶住止位销(此时,探纬接近开关与探纬感应块之间的距离达到规定值),探纬接近开关与探纬感应块间感应闭合,收布控制电磁铁暂停收布,一会后,进纡启动行程开关闭合,待纬梭返回到右梭箱的进纡装置,进纡装置自动将纡子推进纬梭腔槽内,然后进纡结束行程开关断开,进纡结束,纬梭进入下一轮引纬穿梭行程。
在本实施例中,为了便于对本发明工作原理的充分理解,下面展开更具体详细地描述:剑麻纱条织布机工作前,先将装好纡子的纬梭1安放在梭床13的右梭箱25内。织布机工作时,每次纬梭1进纡后,本发明的纡变传导杆8被纡子挤压至接近纬梭腔底的槽沟7,同时,纡子受到纬梭1中的张力毛刷和梭腔沟槽的作用而被夹紧。当纬梭1在梭床13的左、右梭箱25之间往返引纬时,纬梭1内的纡子会因退解使纱条减少而变短小,纡变传导杆8受到纡子挤压力也越来越小,在弹簧3的推力下,探纬感应块2不断向纬梭1腔槽口外移动。每次纬梭1到达梭床1的左梭箱25里并暂停的瞬间,探纬接近开关18都会对探纬感应块2进行探测,当纡子中的纬纱退解只剩下2-4圈(约20-50cm)时,探纬感应块2向纬梭1腔槽口移动接近极限,当限位螺钉5顶住止位销6时,探纬接近开关18与探纬感应块2之间的距离达到规定值,探纬接近开关18感应闭合,探纬结束,收布控制电磁铁33产生暂停收布动作,开始进入进纡状态;当织布机的凸轮轴旋转约180°时,进纡启动行程开关SQ136与凸轮轴上配对的金属撞块撞击而闭合,进纡动作启动,待纬梭1返回到梭床右梭箱的进纡装置,进纡装置自动地将纡子推进纬梭1腔槽内,然后进纡结束行程开关37随之断开,进纡结束,纬梭1接着进入下一轮引纬穿梭行程,织布机整个编织过程基本实现全自动化。
以上所揭露的仅为本发明的自动探纬进纡装置的一种结构与控制过程而已,当然不能以此来限定本发明之权利范围,凡因此依本发明范围所作的等同变化,仍属本发明所涵盖的范围。
摘自国家发明专利,申请号:202010703108.2,申请日:2020.07 .2。发明人:梁力天、林有勤、林海昇


